戸車(WBPー0907(ヨコヅナ
戸車(WBPー0907(ヨコヅナ
1件あります
在庫更新日時:2025/12/12 06:01
| 商品名 商品コード |
材質 | 表面処理 |
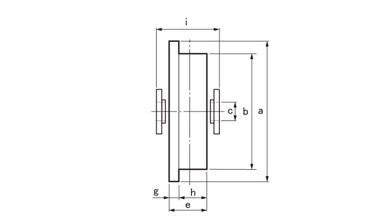
サイズ 径+長さ(ℓ) |
バラ売り |
在庫
在庫とは小箱もしくはバラ1本はある状態です。更新日時を参照してください。
|
代替品
代替品とは
「代替品」の「あり」をクリックすると、「代替品一覧」へ移動します。
|
小箱入数
|
小箱単価
小箱でお買い上げの際の 1本あたりの価格です。 税込/税抜
|
カートに入れる
カートとは「カートに入れる」ボタンをクリックすると数量入力画面が表示されます。バラ・小箱・大箱の単位も確認できます。
|
|---|---|---|---|---|---|---|---|---|---|
|
戸車(WBPー0907(ヨコヅナ
6400YC190000000000 |
鉄 | 生地 | トグルマ(WBP-0907 | 要確認 | なし | 1 | 30,430円 27,664円 |
1件あります







※車・シャフトの材質はSUS303です
特長:
高級機械用ベアリングを使用していますので耐久力に優れています