8T DR SP=3(十字無UP
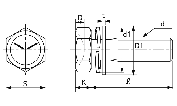
●ばね座金(SW)にかわってスパック(SPAK)が組み込まれたネジです。
●スパックは、ばね座金より弾性が強くゆるみ止め効果が大きい。
またスパックは、ばね座金よりがたつきが小さく、組込ねじにした場合、首下のネジなし部が安定します。
緩みや座面の陥没を防ぐために使われる座金を、予めネジに組み込んだものです。座金を入れ忘れや、落ちてなくしてしまう煩わしさがなくなり、作業効率を上げることができます。
また、 座金の組み合わせにより様々な種類があるので、目的に応じて選ぶことができます。
組込みネジ、セムス解読表 規格|ネジの豆知識ネジログ
ネジの百科事典 | 座金組み込みねじ
●スパックは、ばね座金より弾性が強くゆるみ止め効果が大きい。
またスパックは、ばね座金よりがたつきが小さく、組込ねじにした場合、首下のネジなし部が安定します。
緩みや座面の陥没を防ぐために使われる座金を、予めネジに組み込んだものです。座金を入れ忘れや、落ちてなくしてしまう煩わしさがなくなり、作業効率を上げることができます。
また、 座金の組み合わせにより様々な種類があるので、目的に応じて選ぶことができます。
組込みネジ、セムス解読表 規格|ネジの豆知識ネジログ
ネジの百科事典 | 座金組み込みねじ
8T DR SP=3(十字無UP
2件あります
在庫更新日時:2026/03/27 03:00
| 商品名 商品コード |
材質 | 表面処理 |
サイズ 径+長さ(ℓ) |
バラ売り |
在庫
在庫とは小箱もしくはバラ1本はある状態です。更新日時を参照してください。
|
代替品
代替品とは
「代替品」の「あり」をクリックすると、「代替品一覧」へ移動します。
|
小箱入数
|
小箱単価
小箱でお買い上げの際の 1本あたりの価格です。 税込/税抜
|
カートに入れる
カートとは「カートに入れる」ボタンをクリックすると数量入力画面が表示されます。バラ・小箱・大箱の単位も確認できます。
|
|---|---|---|---|---|---|---|---|---|---|
|
8T DR SP=3(十字無UP
1000DTS30080020003 |
鉄 | 三価ホワイト(銀) | 8 X 20 | 要確認 | なし | 250 | 51.76円 47.06円 | ||
|
8T DR SP=3(十字無UP
1000DTS30080025003 |
鉄 | 三価ホワイト(銀) | 8 X 25 | 要確認 | なし | 200 | 55.16円 50.15円 |
2件あります







